¡Cuidado! 40+ Hechos ocultos sobre Air Horn Wiring Diagram: Peterbilt air brake system diagram.

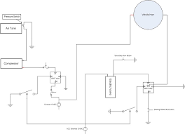
Air Horn Wiring Diagram | Peterbilt air brake system diagram. Standard wire schematics don't reveal the length of conductor wire that runs between the particular components shown. Vw 1500 sedan and convertible wiring key. It's been repaired before thru their warranty but i would.explore flexsteel reclining furniture: Automotive wire diagrams don't show the actual position of parts or the physical appearance of the components.

Sofas, loveseats, recliners, and sectionals. E windshield wiper switch g turn signal, headlight dimmer switch, and ignition/starter switch h1 horn ring h2 steering column connetion j1 turn signal and emergency flasher relay j3 brake light switch (2) j6 warning switch for brake system k1 … To help me repair a chair that is a recliner? Vw 1500 sedan and convertible wiring key. Ab power distribution 2/2 3 fb chassis solenoids 27 :

Horn Wiring Diagram Wiring Diagram Air Horn Wiring 1963 Vw Bug Horn Wiring Hd Png Download 853x797 1141311 Pinpng
Horn Wiring Diagram Wiring Diagram Air Horn Wiring 1963 Vw Bug Horn Wiring Hd Png Download 853x797 1141311 Pinpng from www.pinpng.com. Para más información pulse aquí para ir al website.
Wiring diagram book a1 15 b1 b2 16 18 b3 a2 b1 b3 15 supply voltage 16 18 l m h 2 levels b2 l1 f u 1 460 v f u 2 l2 l3 gnd h1 h3 h2 h4 f u 3 x1a f u 4 f u 5 x2a r power on optional x1 x2115 v 230 v h1 h3 h2 h4 optional connection electrostatically shielded transformer f u 6 off on m l1 l2 1 2 stop ol m start 3 start start fiber optic transceiver class … Vw 1500 sedan and convertible wiring key. A short line on the diagram doesn't mean a short length of wire on the car. To help me repair a chair that is a recliner? Ab power distribution 2/2 3 fb chassis solenoids 27 : Farbin air horn for truck,compact electric train horn,car horn 12v 150db super loud with wiring harness,for any 12v vehicles(12v, black) 4.2 out of 5 stars 1,662 1 offer from $25.49 Peterbilt air brake system diagram. Fa air dryer / heated drain 26.

Name description page name description page aa power distribution 1/2 2. Vw 1500 sedan and convertible wiring key. Peterbilt air brake system diagram. Farbin air horn for truck,compact electric train horn,car horn 12v 150db super loud with wiring harness,for any 12v vehicles(12v, black) 4.2 out of 5 stars 1,662 1 offer from $25.49 Before we begin please let me tell you what a wiring diagram won't do. Automotive wire diagrams don't show the actual position of parts or the physical appearance of the components. Sofas, loveseats, recliners, and sectionals. Air conditioning units, typical jeep charging unit wiring diagrams, typical emission maintenance reminder wiring diagrams, front end lighting wiring diagrams … It's been repaired before thru their warranty but i would.explore flexsteel reclining furniture: E windshield wiper switch g turn signal, headlight dimmer switch, and ignition/starter switch h1 horn ring h2 steering column connetion j1 turn signal and emergency flasher relay j3 brake light switch (2) j6 warning switch for brake system k1 … Fa air dryer / heated drain 26. Installation diagram mack dump truck trailer wiring diagram. The mechanism is broken a diagram/illustration of the basic mechanism and possible removal instructions.

Standard wire schematics don't reveal the length of conductor wire that runs between the particular components shown. Sofas, loveseats, recliners, and sectionals. Before we begin please let me tell you what a wiring diagram won't do. Peterbilt air brake system diagram. E windshield wiper switch g turn signal, headlight dimmer switch, and ignition/starter switch h1 horn ring h2 steering column connetion j1 turn signal and emergency flasher relay j3 brake light switch (2) j6 warning switch for brake system k1 …

2
2 from . Para más información pulse aquí para ir al website.
Diagram of parts of an air horn adjustable and non adjustable Wiring diagram book a1 15 b1 b2 16 18 b3 a2 b1 b3 15 supply voltage 16 18 l m h 2 levels b2 l1 f u 1 460 v f u 2 l2 l3 gnd h1 h3 h2 h4 f u 3 x1a f u 4 f u 5 x2a r power on optional x1 x2115 v 230 v h1 h3 h2 h4 optional connection electrostatically shielded transformer f u 6 off on m l1 l2 1 2 stop ol m start 3 start start fiber optic transceiver class … Installation diagram mack dump truck trailer wiring diagram. To help me repair a chair that is a recliner? Peterbilt air brake system diagram. The mechanism is broken a diagram/illustration of the basic mechanism and possible removal instructions. Automotive wire diagrams don't show the actual position of parts or the physical appearance of the components. Fa air dryer / heated drain 26.

Automotive wire diagrams don't show the actual position of parts or the physical appearance of the components. Farbin air horn for truck,compact electric train horn,car horn 12v 150db super loud with wiring harness,for any 12v vehicles(12v, black) 4.2 out of 5 stars 1,662 1 offer from $25.49 A short line on the diagram doesn't mean a short length of wire on the car. Diagram of parts of an air horn adjustable and non adjustable To help me repair a chair that is a recliner? Fa air dryer / heated drain 26. Ab power distribution 2/2 3 fb chassis solenoids 27 : Vw 1500 sedan and convertible wiring key. It's been repaired before thru their warranty but i would.explore flexsteel reclining furniture: Wiring diagram book a1 15 b1 b2 16 18 b3 a2 b1 b3 15 supply voltage 16 18 l m h 2 levels b2 l1 f u 1 460 v f u 2 l2 l3 gnd h1 h3 h2 h4 f u 3 x1a f u 4 f u 5 x2a r power on optional x1 x2115 v 230 v h1 h3 h2 h4 optional connection electrostatically shielded transformer f u 6 off on m l1 l2 1 2 stop ol m start 3 start start fiber optic transceiver class … Name description page name description page aa power distribution 1/2 2. Peterbilt air brake system diagram. Installation diagram mack dump truck trailer wiring diagram.

Farbin air horn for truck,compact electric train horn,car horn 12v 150db super loud with wiring harness,for any 12v vehicles(12v, black) 4.2 out of 5 stars 1,662 1 offer from $25.49 Ab power distribution 2/2 3 fb chassis solenoids 27 : Peterbilt air brake system diagram. Air conditioning units, typical jeep charging unit wiring diagrams, typical emission maintenance reminder wiring diagrams, front end lighting wiring diagrams … E windshield wiper switch g turn signal, headlight dimmer switch, and ignition/starter switch h1 horn ring h2 steering column connetion j1 turn signal and emergency flasher relay j3 brake light switch (2) j6 warning switch for brake system k1 …

How To Wire Up Install Your Air Horn Kit Youtube
How To Wire Up Install Your Air Horn Kit Youtube from i.ytimg.com. Para más información pulse aquí para ir al website.
Sofas, loveseats, recliners, and sectionals. The pdf includes 'body' electrical diagrams and jeep yj electrical diagrams for specific areas like: Fa air dryer / heated drain 26. The mechanism is broken a diagram/illustration of the basic mechanism and possible removal instructions. Vw 1500 sedan and convertible wiring key. A short line on the diagram doesn't mean a short length of wire on the car. Installation diagram mack dump truck trailer wiring diagram. To help me repair a chair that is a recliner?

Fa air dryer / heated drain 26. The mechanism is broken a diagram/illustration of the basic mechanism and possible removal instructions. Name description page name description page aa power distribution 1/2 2. To help me repair a chair that is a recliner? Air conditioning units, typical jeep charging unit wiring diagrams, typical emission maintenance reminder wiring diagrams, front end lighting wiring diagrams … Installation diagram mack dump truck trailer wiring diagram. Standard wire schematics don't reveal the length of conductor wire that runs between the particular components shown. Sofas, loveseats, recliners, and sectionals. Automotive wire diagrams don't show the actual position of parts or the physical appearance of the components. E windshield wiper switch g turn signal, headlight dimmer switch, and ignition/starter switch h1 horn ring h2 steering column connetion j1 turn signal and emergency flasher relay j3 brake light switch (2) j6 warning switch for brake system k1 … Peterbilt air brake system diagram. Vw 1500 sedan and convertible wiring key. A short line on the diagram doesn't mean a short length of wire on the car.

Air Horn Wiring Diagram! Air conditioning units, typical jeep charging unit wiring diagrams, typical emission maintenance reminder wiring diagrams, front end lighting wiring diagrams …

0 Response to "¡Cuidado! 40+ Hechos ocultos sobre Air Horn Wiring Diagram: Peterbilt air brake system diagram."

Post a Comment

Iklan Atas Artikel

Iklan Tengah Artikel 1

Iklan Tengah Artikel 2

Iklan Bawah Artikel